Many
Manuals
search
Categorias
Marcas
Principal
BENDIX
não
BW1670
Manual do Utilizador
BENDIX BW1670 Manual do Utilizador Página 2
Descarregar
Partilhar
Partilha
Adicionar aos meus manuais
Imprimir
Página
/
24
Índice
RESOLUÇÃO DE PROBLEMAS
MARCADORES
Avaliado
.
/ 5. Com base em
avaliações de clientes
1
2
3
4
5
6
7
8
9
10
11
12
13
14
15
16
17
18
19
20
21
22
23
24
2
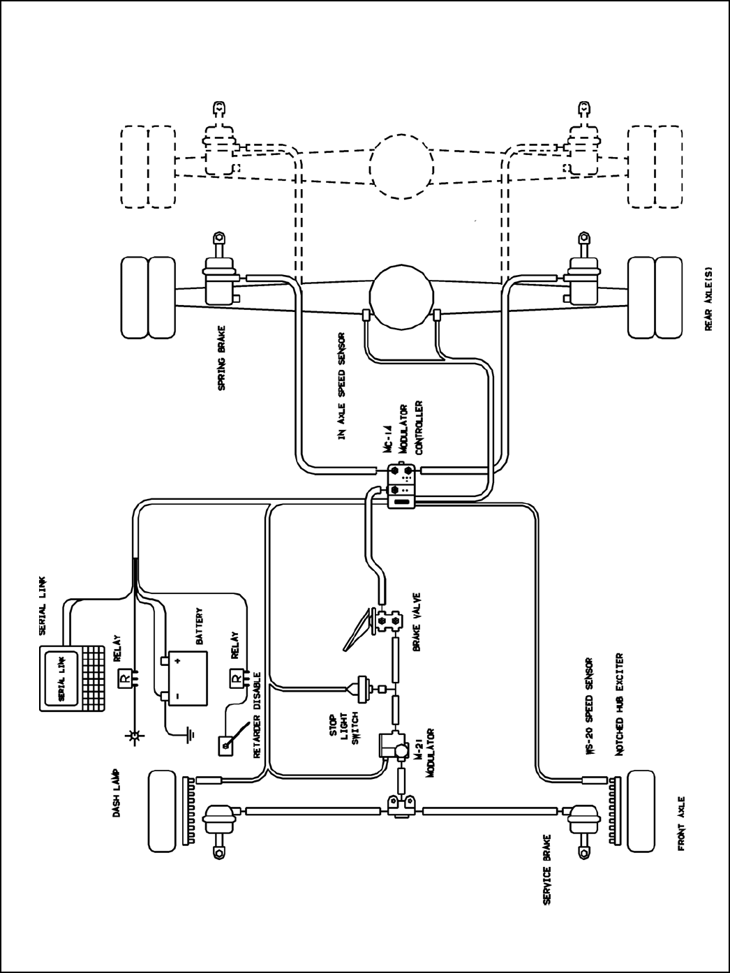
FIGURE 2 -
MC-14
™
ANTILOCK BRAKE SYSTEM
1
2
3
4
5
6
7
...
23
24
SD-13-4784
1
FIGURE 2 - MC-14
2
ANTILOCK BRAKE SYSTEM
2
INPUTS AND COMMAND OUTPUTS
3
CONTROLLER INFORMATION
3
OPERATION
5
ANTILOCK CONTROLLED BRAKE
6
ANTILOCK SYSTEM OPERATION
6
COMPONENT FAULT STRATEGY
6
• An M-12
7
FIGURE 6 - MC-14
8
ANTILOCK WIRING SCHEMATIC
8
DIAGNOSTIC LEDS
10
"FRONT" LED
10
"MID" LED
10
"REAR" LED
10
TROUBLESHOOTING
11
Comentários a estes Manuais
Sem comentários
Publish
Manuais e produtos relacionados com não BENDIX BW1670
não BENDIX PNU-149 Manual do Utilizador
(109 páginas)
não BENDIX TCH-001-022 Manual do Utilizador
(3 páginas)
não BENDIX BW1115 Manual do Utilizador
(81 páginas)
não BENDIX BW7543S Manual do Utilizador
(2 páginas)
não BENDIX TCH-003-025 Manual do Utilizador
(2 páginas)
não BENDIX 08-A-9 Manual do Utilizador
(5 páginas)
não BENDIX 08-A-24 Manual do Utilizador
(4 páginas)
não BENDIX TCH-001-049 Manual do Utilizador
(1 páginas)
não BENDIX TCH-006-003 Manual do Utilizador
(1 páginas)
não BENDIX PNU-096 Manual do Utilizador
(1 páginas)
não BENDIX TCH-005-015 Manual do Utilizador
(1 páginas)
não BENDIX PNU-142 Manual do Utilizador
(10 páginas)
não BENDIX TCH-020-008 Manual do Utilizador
(1 páginas)
não BENDIX TCH-001-030 Manual do Utilizador
(2 páginas)
não BENDIX 03-A-17 Manual do Utilizador
(1 páginas)
não BENDIX TCH-008-003 Manual do Utilizador
(1 páginas)
não BENDIX 03-M-01 Manual do Utilizador
(1 páginas)
não BENDIX TCH-020-007 Manual do Utilizador
(3 páginas)
não BENDIX BW2802 Manual do Utilizador
(1 páginas)
não BENDIX PNU-123 Manual do Utilizador
(1 páginas)
Imprimir documento
Imprimir página 2
Comentários a estes Manuais