
6
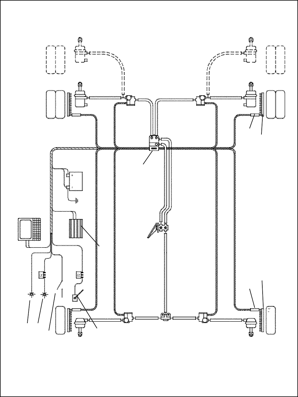
FIGURE 9 - PARTIAL ANTILOCK TRACTION SYSTEM SCHEMATIC
BRAKE
VALVE
(SHOWING DELIVERY
LINES ONLY)
AT-1DC
™
ANTILOCK TRACTION ASSY.
(EC-16
™
OR EC-17
™
CONTROLLER + ATR-1DC
™
VALVE)
MODULATOR
MODULATOR
REAR AXLE
BRAKE
REAR AXLE
BRAKE
EXCITER
SPEED SENSOR
EXCITER
SPEED SENSOR
MODULATOR
BRAKE
CHAMBER
ENGINE CONTROL MODULE
(ECM)
TRACTION SWITCH
ANTILOCK DASH LAMP
TRACTION DASH LAMP
RETARDER SWITCH
MODULATOR
Comentários a estes Manuais