
8 Bendix Spicer Foundation Brakes LLC • 901 Cleveland Street • Elyria, OH 44035 • 1-866-610-9709 • www.foundationbrakes.com
Brake Kits
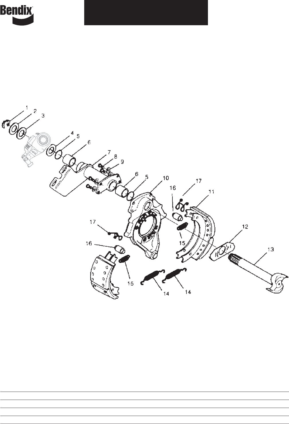
Brake Spring Kit 823138 Incls: Items 14 & 15 Ser vices 1 brake assy
Camshaft Bushing Kit 127808 Incls: Items 1, 5, 6 Ser vices 2 brake assys
Minor
Overhaul Kit 823141 Incls: Items 14-17 Ser vices 1 brake assy
Brake Lining Kit Pages 20-22 Incls: Linings & Rivets Ser vices 2 brake assys
Major Overhaul Kit Pages 20-22 Incls: Items 14-17 & (2 Shoe & Lining Assys) Ser vices 1 brake assy
Brake Assembly 15" – Reduced Envelope Brakes (pages 8–9)
For Model: ES-150-6D Steer Axle Reduced Envelope Brake
Brake Assembly
Comentários a estes Manuais